产品搜索
联系我们
增压缸产品选型、气液增压缸价格
·咨询热线:400-833-2669
0769-23103048、 0769-22013249
·传 真:0769-23109526
·邮 件:jiurong.good@163.com
·网 址:www.twjiurong.com
·地 址:广东省东莞市东城街道峡口沙岭工业西路21号
JRNT复合式倒装型气液增压缸
JRNT复合式倒装型气液增压缸
JRNT复合式倒装型气液增压缸:
JRNT复合式气液增压缸系将一油压缸(预压段)与增压器(增压段)作一体式结合,使用受压缩的空气为动力源,利用增压段活塞及轴心的大小(即不同的受压截面积比,因为压力不变,当受压面积有由大变小时,则压强也会随大小不同而变化),从而达到增压效果。
JRNT复合式倒装型气液增压缸操作条件:

JRNT复合式倒装型气液增压缸产品特点:
☆外形结构简单轻巧;
☆动作速度快,出力平稳;
☆操作简单,易维护;
☆适用于:产品成型,塑料熔接,电子元件铆接,金属板件成型等场合;
☆安装方式:倒装。
JRNT复合式倒装型气液增压缸产品订购代码:

JRNT复合式倒装型气液增压缸产品出力对照表

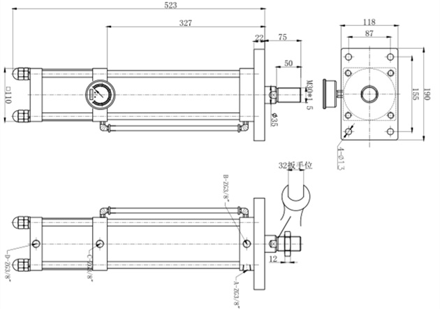
JRNT复合式倒装型气液增压缸产品外形尺寸图

JRNT复合式倒装型气液增压缸产品优势:
☆操作简单:气液增压缸结构较为简单,采用气液结合形式,出力容易调整,可采用自动控制装置。
☆出力大:增压缸出力从1-200t不等,实际出力要比理论出力要大。
☆速度快:动作速度平稳快速,玖容JRNT气液增压缸,为客户解决速度慢的问题。
☆精度高:产品设计新颖,外观精美,力行程公差精确达到+0.2mm ,0.00mm
☆寿命长:产品敢于保修2年,所销售气液增压产品极少出现返修的情况,平均寿命可达3-5年以上。
☆故障低:运行稳定,极少出现故障,无油压系统温升之因扰。
☆零泄漏:采用全球优质品牌进口密封件“英国HALLIET油封和日本NOK气封”,独特高密封系统。达到国际零逸出标准,引领气液增压新技术。
☆2年保修:国内首家实现两年免费保修的气液增压设备厂家,2年保障。
☆能耗低:机械持续加压或停止动时, 液压系统马达仍须运转,与之相比,JRNT复合式倒装气液增压缸动力来源取得方便,实际能耗相当于液压系统的10%-30%
☆易维护:缸体结构简单轻巧,搬运方便,故维护相当简单。
☆27年台湾品牌增压缸,性价比高,质量比较稳定,耐用,是机械商家不错的选择。
☆增压缸采用缸桶镀铬,缸桶金色加银白色喷砂,实际外观与图片一致,更加精致。
☆玖容国内较早研发生产气动增压缸、液压增压缸、标准增压缸的厂家之一;玖容,真正实现2年免费保修厂家。为广大增压缸用户带来真正保障。
上一个:JRI四柱台式压力机60吨



粤公网安备